Wir hatten dieses Jahr schon einige Mainboards von MSI getestet. Darunter waren auch Mainboards der Z790 Reihe und dieses Mal soll es das MSI Z790 GAMING PRO WIFI im ATX-Format sein. Nach unserer bisherigen Erfahrung sind die Mainboards von MSI verlässliche Produkte. Auf der Intel-Core Plattform der 12. und 13. Generation basiert auch dieses Mainboard und mit dem neuen DDR5-Speicher und den neuesten Wi-Fi-Standard geht das Gaming Pro Wifi ins Rennen. Was nun das GAMING PRO WIFI ausmacht und ob es sich von den anderen Z790ern absetzen kann, seht ihr in folgendem Review.
Verpackung, Inhalt, Daten
Verpackung
Das MSI Z790 GAMING PRO WIFI kommt in einem diskreten Karton. Innerhalb des Kartons befindet sich das wahre Design der Verpackung. Zum Vorschein kommt ein schwarzer Karton, der auf der Oberseite mit weißen Punkten übersät ist. In der Mitte ist die Modellbezeichnung in dicker weißer Schrift zu sehen, die von einer Kontur in Form eines Blitzes verziert wird. Der gleiche Schriftzug ist auf jeder Seite des Kartons zu sehen, was dabei hilft den Inhalt sofort zu identifizieren. Die Rückseite zählt die Features und die Spezifikationen auf. Diese sind tabellarisch und durch Abbildungen verdeutlicht.
Inhalt
Im Lieferumfang finden wir die folgenden Gegenstände:
- 1 x Mainboard MSI Z790 GAMING PRO WIFI
- 1 x Set WIFI-Antenne
- 2 x M.2 Locker – Schrauben
- 2 x SATA-Kabel
- 1 x Schnellinstallation-Anleitung
- 1 x Europa-Regulatorien
- 1 x Set MSI-Aufkleber
Daten
| MSI Z790 GAMING WIFI PRO – Technische Daten | |
|---|---|
| Chipsatz | Intel Z790 |
| CPU | 12. und 13. Generation Intel Core LGA 1700 |
| Arbeitsspeicher | Anzahl Slots: 4 x DDR5 Maximalkapazität: 192 GB XMP Version: XMP 3.0 Unterstützte Taktrate: bis zu 7.200 MHz im OC |
| Onboard Grafik | 1 x HDMI 1.4 HDR (max. Auflösung 4k / 30 Hz) (Nur für CPUS mit integrierter Grafikkarte) |
| Slots | 3 x PCIe x 16 2 x PCIe x 1 PCI_E1 Gen PCIe 4.0 bis zu x 16 (CPU) PCI_E2 Gen PCIe 3.0 bis zu x 1 (Chipset) PCI_E3 Gen PCIe 4.0 bis zu x 4 (Chipset) PCI_E4 Gen PCIe 3.0 bis zu x 1 (Chipset) PCI_E5 Gen PCIe 4.0 bis zu x 4 (Chipset) |
| Speicher | 3 x M.2 M.2_1 (CPU) bis zu PCIe 4.0 x 4 M.2_2 (Chipset) bis zu PCIe 4.0 x 4 M.2_3 (Chipset) bis zu PCIe 4.0 x 4 Sata mode 4 x SATA 6G |
| USB | 4 x 2.0 (Front) 4 x 3.2 Gen1 Typ A (Rückseite) 4 x 3.2 Gen1 Typ A (Front) 3 x 3.2 Gen2 Typ A (Rückseite) 1 x 3.2 Gen 2 Typ C (Front) 1 x 3.2 Gen2x2 Typ C (Rückseite) |
| LAN | Realtek RTL8125BG 2.5 Gbps LAN Realtek RTL8111H 1 Gbps LAN |
| WLAN & Bluetooth | Intel Wi-Fi 6E 2.4 GHz / 5 GHz / 6 GHz 802.11 a/ b/ g/ n/ ac/ ax Bluetooth 5.3 |
| Audio | Realtek ALC897 7.1 High Definition Audio S/PDIF output |
| Interne-IO | 1 x Power Connector ATX 2 x Power Connector CPU 1 x CPU Fan 1 x Pump Fan 5 x System Fan 2 x Front Panel JFP 1 x Gehäuse Überwachung JCI 1 x Front Audio JAUD 1 x TBT 1 x Tuning Controller JDASH 2 x Adressierbare RGB LED JARGB_V2 1 x JRGB 1 x TPM 4 x USB 2.0 4 x USB 3.2 Gen1 Typ A 1 x USB 3.2 Gen2 Typ C |
| Formfaktor | ATX 243,84 x 304,8 mm |
Details
Bei einem Blick auf die Vorderseite des MSI Z790 GAMING PRO WIFI fällt das „lightning“ Design ins Auge. Diagonal über das Mainboard zieren Schriftzüge und das MSI Logo die Kühlkörper der Platine. Der Kühlkörper über der IO ist verlängert und vergrößert somit die Oberfläche, was die Wärme bei schweren Lasten effektiver abführen sollte. Der VRM-Kühlkörper deckt das MOS ab und hilft ebenso bei der Ableitung der Wärme. Der Chipsatz-Kühlkörper rechts unten soll staubabweisend sein und Geräusche reduzieren. Die M.2-SSDs sind mit der M.2-Thermolösung versehen, was die SSDs effizienter arbeiten lassen soll. Die Kühlkörper sind mit 7W/mK MOSFET-Wärmeleitpads ausgestattet, wobei zusätzliche Drossel-Wärmeleitspads für eine stabile Leistung sorgen sollen, wenn alle Kerne mit hoher Taktrate laufen.
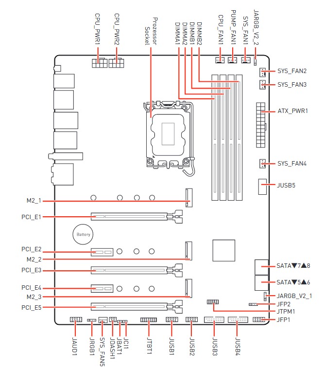
Bei diesem größtenteils schwarzen Design bleibt die RGB-Beleuchtung unscheinbar, bis diese dezent in Aktion tritt. Die Beleuchtung findet im unteren Teil des Mainboards statt und zieht eine Linie neben den PCIe Steckplätzen. Links unten, entlang der Beleuchtungsleiste ist der Audio-Prozessor untergebracht. Gleich daneben sind die Audiokondensatoren zu sehen. Nebenan ist die Knopfbatterie platziert, die nach Montage der Grafikkarte leider verdeckt wird. Die untere Kante beherbergt, wie bekannt, über JAUD1 bis zu JFP1 die entsprechenden Anschlüsse, die der Installationsanleitung entnommen werden können. An der rechten unteren Kante sind die vier SATA-Anschlüsse angebracht. Von den SATA-Anschlüssen zur oberen Kante wandern wir vom JUSB5 über einige FAN-Anschlüsse und dem ATX-PWR1 zur Stromversorgung neben den freiliegenden Arbeitsspeicherslots zu den CPU- und PUMP-FAN Anschlüssen. Insgesamt ist das dunkle Design schon ansprechend, wie wir finden.
Das Mainboard hat zwei LAN-Anschlüsse – einen 1 Gbit Anschluss und einen 2,5 Gbit Anschluss, was für den normalen Gebrauch in der Regel nicht notwendig ist. Sollte man jedoch beispielsweise ein eigenes internes Netzwerk betreiben oder viel am Router basteln, sind zwei LAN-Anschlüsse wirklich praktisch. Mit dem 2,5 Gbit LAN-Anschluss sind somit in einem internen Netzwerk schnellere Datenübertragungen, beispielsweise zu einem NAS möglich.
Mit den im Lieferumfang enthaltenen Antennen, kann eine hervorragende Verbindung mit dem häusliches WIFI-Netzwerk erreicht werden. Hierbei erkennen wir tatsächlich keinen Unterschied zwischen einem LAN-Anschluss und der kabellosen Verbindung. Bei der kabellosen Datenübertragung im Heimnetzwerk sind hierbei dank dem Wi-Fi 6 GHz bis zu 600 Mbit/s pro Sekunde möglich.
Praxis
Montage
Der Vorteil beim Einbau des MSI Z790 GAMING PRO WIFI ist das vorinstallierte IO-Shield. Dieses kann so bei der Montage nicht vergessen werden und passt sich bei unserem Gehäuse, dem NZXT H9 Elite perfekt an. Hierbei gefällt uns die Höhe des Kühlkörpers am IO-Shield, da wir hier genug Platz haben, um den Stromanschluss für die CPU bequem von der Rückseite durch das Gehäuse zu führen. Die Bedienungsanleitung führt den Verbraucher gut durch die Montage des Motherboards. Die neun Schrauben sind mit 0,3 Nm anzuziehen, sodass hier nicht die Platine bricht. Beim Einsatz der CPU in den LGA1700 Slot sind auf die vier Justierungen und das goldene Dreieck zu achten. Der Abstand zwischen der Mitte des CPU-Slots und dem nächsten DIMM-Steckplatz beträgt 50,83 mm.
Die Bestückung der FAN-Anschlüsse ist durchdacht und so platziert, dass eine möglichst kurze Leitungslänge zu den Lüftern entsteht. Dazu hat MSI eine attraktive Illustration auf der Herstellerseite kreiert, welche die Anschlüsse der diversen Kühllösungen sichtbar macht. Hierbei sind die Kühlsysteme in verschiedenen Farben unterteilt:
- Rot – CPU-Kühler
- Grün – Frontlüfter
- Violett – hintere Lüfter
- Gelb – obere Lüfter
- Blau – Wasserkühlung
Bei der Lüftersteuerung schafft wieder die Steueroberfläche im BIOS Abhilfe. Mit der einfachen Grafikoberfläche können bis zu vier Temperaturziele gewählt werden, bei denen die Lüftergeschwindigkeiten automatisch angepasst werden. Weiterhin ist die Lüftersteuerung auch softwaretechnisch im MSI-Center möglich. Dabei bietet die FROZR AI Cooling Engine eine automatische Kühlung durch Messungen der Temperatur an verschiedenen Stellen im Gehäuse an. So erkennt das System automatisch in welchem Modus die Lüfter betrieben werden und sorgt für eine optimierte Abstimmung der Lüftergeschwindigkeiten. Durch eine entstehende Hysterese drehen die Lüfter gleichmäßig, sodass das System immer leise bleibt. Die Lösung durch die Wasserkühlung in Form einer AIO ist ein spezieller Pin montiert, der bis zu 3 Ampere ermöglicht, um die volle Kontrolle über die Wasserpumpe zu erhalten. Hierbei ist volle Unterstützung durch die Marken MSI, Bitspower, Cooler Master, Corsair, ekwb und Thermaltake versprochen.
Die Anleitung führt auch Laien zum erfolgreichen Aufbau eines PCs, da jede Leitung und jeder Anschluss im Detail beschrieben und mit Bildern veranschaulicht werden. Dabei sind die Bilder auch mit QR-Codes versehen, die zu YouTube-Videos weiterleiten, um jeden Handgriff nachzuvollziehen. Auch der genaue Anschluss der Peripherie wird bildlich veranschaulicht.
Bei der Konnektivität auf der Seite des IO-Shields besitzt das Mainboard den neuesten Wi-Fi 6E Standard, eine Bluetooth 5.3 Verbindung und 2,5G und 1G Lan. Weiterhin haben wir drei USB 10 Gbit/s Anschlüsse und vier weitere 5 Gbit/s USB. Der PCI-E-Anschluss mit dem Namen Lightning 4 verdoppelt sich im Vergleich zur vorherigen Generation und erreicht bis zu 64 GB pro Sekunde.
Testsystem
|
Testsystem
|
|
|---|---|
| CPU | Intel Core I9 13900K |
| Mainboard | MSI Z790 GAMING PRO WIFI |
| Arbeitsspeicher | Corsair Dominator Titanium First Edition 6000 MT/s |
| Datenträger | Crucial MX500 4 TB 2,5″ SSD Crucial MX500 1 TB 2,5 “ SSD Seagate Barracuda 4 TB 3,5″ HDD Samsung 970 EVO NVMe M.2 SSD 1 TB |
| Kühlung | be quiet! Pure Loop 2 |
| Gehäuselüfter | 7 x NZXT F120 |
| Netzteil | Corsair RM1000x |
| Gehäuse | NZXT H9 Elite |
Software: MSI-Center
Die Beleuchtung kann über das MSI-Center im Mystic-Light angepasst werden. Mit verschiedenen Profilen und Voreinstellungen wie beispielsweise dem Ambient-Link, kann das ganze System gesteuert werden. Auch in Verbindung mit Drittanbieter-Software wie Armoury Crate oder ICUE können die Softwarelösung mit den richtigen Einstellungen koexistieren.
Die Mystic Light Funktion im MSI Center bereitet jedoch leider massiv Probleme. Dies ist wohl die größte Schwachstelle bei den MSI-Boards. Die Kompatibilität der Beleuchtungssoftware für Windows 11 und Drittanbieter ist manchmal ein Dorn im Auge und trotz mehrerer Versuche die Firmware zu reparieren, bereitet die Beleuchtung weiterhin Kopfschmerzen. Sobald die Beleuchtung aber läuft, heißt es „never change a running system“! Der Support von MSI antwortet schnell und kann erfolgreich beim Lösen der Probleme zur Seite stehen. Wir erhalten eine Update-Software zum LED-Firmwareupdate und eine genaue Prozessbeschreibung.
Mit der True-Color-Funktion können die Farben des Displays an die eigenen Bedürfnisse angepasst werden. Im User-Scenario können wir die Leistungsszenarien mit einem Klick von Extreme Performance über Balanced und Silent bis zu Custom-Einstellungen auswählen. Im Hardware Monitoring finden wir alle wichtigen und aktuellen Daten des Systems im Überblick. Hier werden die CPU-Nutzung, Taktfrequenz, Temperaturen und Spannungen angezeigt. Diese Einstellungen können im Profile Setting nach eigenen Belieben eingestellt werden, was aber eher für erfahrene Benutzer ausgelegt ist. Mit der System Diagnose kann dabei der Speicher im System überwacht werden.
Arbeitsspeicher
In der Praxis unterstützt das MSI Z790 GAMING PRO WIFI Intel Core Pentium, Gold und Celeron Prozessoren der 12. und 13. Generation für den LGA 1700 Sockel. Der DDR5-Speicher wird bis zu einer Taktrate von 7.200 MHz im Overclocking unterstützt, wobei wir den CORSAIR DOMINATOR TITANIUM mit einer Taktrate von 6.600 MHz ausreizen. Im Vergleich dazu unterstützte die Z690 Reihe nur bis zu 6.400 MHz. Obwohl die RAM-Speicher für AMD ausgelegt sind, kann dieser auch problemlos auf einer Intel-Plattform betrieben werden. Hierbei sollten die RAM-Einstellungen im BIOS aber von Hand durchgeführt werden, was nur für erfahrene Benutzer zu empfehlen ist. Das BIOS bietet sehr viele Anpassungsmöglichkeiten, die hauptsächlich Enthusiasten ansprechen. Für Durchschnittsverbraucher ist das Angebot an Einstellungen mehr als ausreichend. Am Rande sei erwähnt, dass auch hier ein Übertakten des Prozessors sowie Arbeitsspeichers möglich ist. Die Einstellungen der Taktraten und Spannungen und Ströme sind für Nutzer, die genau wissen, was sie tun. Mit dem aktuellen BIOS-Version 7D93v12 wollen wir uns weiterhin anschauen, wie das System auf ein Overclocking des RAM-Speichers reagiert.
Durch die Möglichkeiten, welche uns das Mainboard bietet, schaffen wir es den von uns genutzten Arbeitsspeicher bei 1,35 Volt auf bis zu 7.000 MHz zu übertakten. Dabei handelt es sich um zwei Riegel des „CORSAIR DOMINATOR TITANIUM FIRST EDITION“, welcher vom Hersteller mit 6.000 MHz angegeben ist. In den folgenden Tests hat sich herausgestellt, dass das System am stabilsten mit einer Arbeitsspeicher-Taktrate von 6.600 MHz funktionierte.
BIOS
Das Click-Bios 5 verspricht mehr Leistung und mehr Features für Höchstleistung, Optimierung, Gaming oder Effizienz. So sind XMP-Profile hinterlegt, um ein einfaches Übertakten von kompatiblen Speicher zu ermöglichen. Mit dem Volume Management Device (VMD) wird eine direkte Steuerung und Verwaltung von NVMe-SSDs über den PCIe-Bus ohne zusätzliche Hardware ermöglicht. Das Flashen und aktualisieren des BIOS kann bequem über das CMOS Setup, über die M-FLASH-Funktion durchgeführt werden. Der Hardwaremonitor bietet einen schnellen Zugriff auf relevante Hardware-Informationen in Echtzeit bei Temperatur, Spannung, Speicherkapazität und Taktgeschwindigkeit. Wie von MSI bekannt kann innerhalb des BIOS nach Funktionen gesucht und als Favoriten gespeichert werden.
CPU übertakten
Dem Overclocking des RAM-Speichers haben wir uns in dem Test zum Corsair Dominator Titanium gewidmet. Dort könnt ihr nachlesen, inwieweit wir unsere RAM-Riegel übertakten konnten und wie stabil das System dabei läuft. Ohne genau ins Detail zu gehen können wir sagen, dass das System mit zwei FullHD Bildschirmen und zwei QHD Bildschirmen, mehr als 10 geöffneten Tabs unter denen auch Streams angezeigt werden, Discord mit 2 – 3 Streams, OBS mit Wiederholungspuffer und laufendem Stream, mit den Einstellungen von 6.600 MHz bei 1,35 Volt Spannung stabil betrieben wird. Ist das manuelle Übertakten nicht gewünscht, oder bestehen Zweifel, dass etwas kaputt gehen könnte, ist es möglich, einfach im BIOS das XMP-Profil zu aktivieren. Hierbei sind zwei Profile hinterlegt.
Natürlich ist es möglich auch die CPU entsprechend zu übertakten. Hierbei ist Vorsicht geboten, da die eingestellten Spannungen tatsächlich Schaden an der CPU anrichten könnten. An dieser Stelle sei darauf hingewiesen, dass Overclocking an der CPU zu einem Garantieverlust führt.
Benchmarks
Wir haben das MSI Z790 GAMING PRO WIFI samt dem System einiger Testsoftware unterzogen. Unter den Tests haben wir Cinebench in Single- und im Multi Core getestet und 3DMark mit Fire Strike Extreme, NVIDIA DLSS Feature Test, Solar Bay Unlimited und Time Spy als Belastungstests verwendet.
Cinebench
Zuerst haben wir das System mit der Software Cinebench R23 getestet. Im ersten Schritt ließen wir Cinebench in Single Core Modus laufen und erhielten dabei eine Punktzahl von 1997. Anschließend ergab Cinebench im Multicore Modus eine Punktzahl von 33852. In der Vergleichstabelle sind die Systeme zu den einzelnen Tests nach Punkten gelistet.
3DMark
Es werden statistisch 20 Versuchsdurchläufe benötigt, um einen aussagekräftigen Beweis für die Ergebnisse im Benchmark zu erhalten. Bei allen Tests, bis auf Time Spy hatten wir im Hintergrund die Wallpaper Engine und Firefox mit etwa 10 aktiven Tabs offen. Time Spy erforderte das gesamte System, sodass wir alle unnötigen Programme im Hintergrund beendet hatten. So konnten wir im Folgenden die Ergebnisse und die zugehörige Dokumentation ermitteln.
Fire Strike Extreme
Der Fire Strike Extreme Belastungstest liefert uns eine Framerate Stabilität von 97,1 % bei 20 Durchläufen. Die Details zur Überwachung können den Diagrammen im Endergebnis nachvollzogen werden.
NVIDIA DLSS Feature Test
Der DLSS Feature Test zeigt uns den Unterschied zwischen den FPS Werten mit aktiviertem und deaktiviertem DLSS. Dabei betrug der Wert ohne DLSS 50,67 FPS, wobei ein Wert von 82,77 FPS bei aktiviertem DLSS erreicht werden konnte. Auch hier kann der Verlauf des Tests den Diagrammen entnommen werden.
Solar Bay Unlimited
Auch das Solar Bay Unlimited liefert uns das Ergebnis von einem bestandenen Belastungstest mit 97,1 %. Hierbei sind Framerate, Temperatur und Frequenz in den Diagrammen abgebildet und nachzuvollziehen.
Time Spy
Den ersten Test mit Time Spy hatten wir nicht bestanden, da noch einige Programme im Hintergrund liefen. Anschließend haben wir sämtliche Programme im Hintergrund deaktiviert und den Test mit 20 Durchläufen erneut gestartet. So konnten wir den Belastungstest mit 98,6 % bestehen.
Beleuchtung
Fazit
Das MSI Z790 GAMING PRO WIFI bietet sehr umfangreiche Features, die MSI durch jahrelange Erfahrung auf diesem Gebiet mitbringt. Für den Normalverbraucher sind viele Features, wie der Overclocking Bereich oder zwei LAN-Anschlüsse nur bedingt interessant, denn hier werden hauptsächlich Enthusiasten angesprochen. Das Design ist dezent und hält sich mit der RGB-Beleuchtung zurück, liefert allerdings eine gute Kühlung und bewährt sich für den Einsatz von der aktuell größten CPU. Datenübertragung und Speicher- und Lesegeschwindigkeiten sorgen für ein beruhigtes Gewissen, eine gute Investition von derzeit 232,00€ getätigt zu haben. Daher sprechen wir eine Empfehlung aus.
Pro:
+ Dezentes Design
+ gute Wärmeableitung
+ stabiles und verlässliches System
Kontra:
– Funktion Mystic Light manchmal problematisch











































Ein Kommentar
danke für den Test